由于产品技术规格范围比较宽,请广大客户订购时在备注里备注所需要的输入输出范围,以保证购买到合适的产品!
输入信号范围:0-10V、0-5V、0-75mV、0-20mA、4-20mA、DC 0-100V、DC 0-465V、DC 0-1A、DC 0-10A、AC 0-5A、AC 0-10A、AC 0-380V、AC 0-500V、电位计0-5KΩ、电阻0-5KΩ、热电阻-200--500℃,热电偶0-1600℃等用户特定规格
输出信号范围:0-10V、0-5V、0-75mV、0-20mA、4-20mA、1-5V、4-12-20mA等用户需要的标准信号。
配电器配电:一路配电、双路配电、配电电压为16--26V。
产品概述:
有源单通道高精度模拟量信号隔离变送器,是将输入与输出之间的电气绝缘的模拟信号进行隔离的信号调整器,接收现场仪表的各种模拟量信号输入,通过模拟量信号隔离变送器进行信号隔离调理,以标准模拟量信号的形式传输到控制室或PLC及DCS系统。本产品的输入、输出间互相隔离,隔离电压达1500VDC,在电量隔离测控的工业现场、电力监控、医疗电子设备、模拟量4~20mA 信号隔离及采集,远程信号长线无失真传输等方面广泛应用。该模拟量信号隔离变送器采用光电隔离技术,具有高输出精度、极低温飘、高线性度及宽供电电压等特点。
产品特征:
●小体积,低成本,无需调节用户直接使用
●两端隔离(输入、输出间相互隔离)
●双通道输入,双通道输出
●高精度等级(0.1% F.S)
●高线性度(0.2% F.S)
●高隔离耐压(1500VDC / 60S)
●极低温度漂移(50PPM/℃)
●工业温度范围(-45~+85℃)
●低阻抗(压降<2.5V,20mA时)
●宽电压输入(24V±20%)
产品概述:
有源高精度模拟量信号隔离变送器,是将输入与输出之间的电气绝缘的模拟信号进行隔离的信号调整器,接收现场仪表的各种模拟量信号输入,通过模拟量信号隔离变送器进行信号隔离调理,以标准模拟量信号的形式传输到控制室或PLC及DCS系统。本产品的输入、输出间互相隔离,隔离电压达1500VDC,在电量隔离测控的工业现场、电力监控、医疗电子设备、模拟量4~20mA 信号隔离及采集,远程信号长线无失真传输等方面广泛应用。该模拟量信号隔离变送器采用光电隔离技术,具有高输出精度、极低温飘、高线性度及宽供电电压等特点。
产品电气特性参数:

产品接口功能说明:

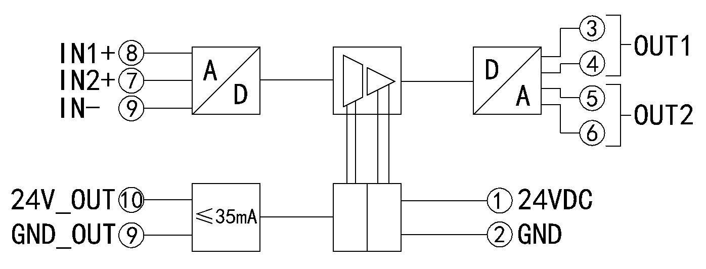
产品逻辑示意图:

产品接线示意图:

使用注意事项:
1、使用前,请仔细阅读产品说明书,如有疑问,请与公司技术支持或售后服务人员联系;
2、请不要将产品安装在危险区域使用,产品工作电源为直流电源,严禁使用220V交流电源为产品作为工作电源;
3、严禁私自拆装产品,防止产品失效或发生故障。